Blixt&Dunder - precis som det låter
Undrar du något? Prova chatten!
Exkl. moms
Inkl. moms
SEK
Sök efter delar här!
Till kassan
Reservdelar & Tillbehör
Avgassystem
Avgassystem
Pan America
Evo & Twin Cam Softail
Evo & Twin Cam Dyna
Evo & Twin Cam Touring
Evo & Twin Cam Fxr
Sportster
M8 Softail
M8 Touring
XG
V-Rod
Panhead
Shovelhead
Järnsportster
750 Sidventil
Övriga Märken
Ljuddämpare
Dämparinsatser m.m.
Packningar Avgasrör
Avgasbandage
Packmaterial ljuddämpare
DIY Avgassystem
Övrigt Avgassystem
Avgas klammer
End Caps
Fästen avgassystem
Fästen topp
O2 Sensor
Värmeskydd
Bromsar
Renoveringssatser
ABS sensorer
Bromsok & fästen
Bromsskivor
Bromsslang
Bromsslang DIY
Bromsslang Dyna
Bromsslang M8
Bromsslang Softail
Bromsslang Touring
Bromsslang XL
Bromsslang övriga modeller
Universalbromsslang
Huvud- och hjulcylindrar
Kopplingar Broms
3/8 Banjo
7/16 Banjo
Banjo MM
Bricka/Tätning
Bromsljus
Fördelning
Kopplingar
Luftning/Bleeders
Trumbromsar
Övrigt Bromsar
Monteringssatser Skiva/Drev
Eldelar
OEM Kontakter
AMP OEM
Delphi
Deutsch DT
Deutsch DTM
JST
Molex
Multilock
Multilock Mini
MX-1900
OEM Kontakter övrigt
Reläer
Säkringar
Styrboxar och reglering
Tändningslås
Elkabel & Kontakter
Batterikabel
Elkabel
Kabelhölje
Kontakter
Verktyg El
Elstart
Starmotor 66-88
Startmotor 07-upp
Startmotor 89-93
Startmotor 94-06
Startmotor Sportster
Startmotor M8
Övrigt Startmotor
Solenoid
Laddning
Generator
Stator & rotor
Voltpack
Övrigt laddning
Tändning
Fördelare
Tändmagnet
Tändning övrigt
Brytare
Elektronisk
Tändspole
Tändkablar
Övrig El
Stereo
Kontakter & givare
Blinkersreglering
Kabelstammar
Tillbehör
Signalhorn
Strömbrytare
Motogadget
Fjädring
Framgaffel
Renoveringssatser/Packningar
Springer
Styrlager / Tillbehör
Kompletta Gafflar
Fjädrar Framgaffel
Gaffelben
Gaffelkronor & delar
Wobbelstag
Bälgar/Kåpor
Stötdämpare
Stötdämpare FXR
Stötdämpare XG
LEGEND SUSPENSION
Stötdämpare V-rod
Stötdämpare Dyna
Stötdämpare Softail
Stötdämpare Sportster
Stötdämpare Touring
Sänkningssatser
Övrigt Stötdämpare
Förgasare & Insprut
Förgasare
Bendix
Linkert
Voes
Keihin CV
S&S
Mikuni
Keihin
Förgasare Övrigt
Insprutning
Motorstyrning elektronik
Trottelhus
Bränslepump
Injektor
Regulator
Insprutning Övrigt
Insugsdetaljer
Insug
Packningar insug
Tillbehör insug
Luftrenare
Luftrenare Evo
Luftrenare Keihin
Luftrenare M8
Luftrenare Sportster XL
Luftrenare Super E
Luftrenare TC TBW
Luftrenare TC Vajer
Luftrenare Universal
Luftrenare XG
Övrigt Luftrenare
Montering luftrenare
Hjul och Axlar
Hjul
Hjullager
Kompletta ekerhjul 16"
Kompletta ekerhjul 17"
Kompletta ekerhjul 18"
Kompletta ekerhjul 19"
Kompletta ekerhjul 21"
Kompletta ekerhjul 23"
Aluminium-hjul
Fälgar Krom / Stål
Fälgar Rostfria
Fälgar Aluminium
Ekrar Krom
Ekrar Rostfritt
Ventilhattar
Nav & delar
Hjul Övrigt
Axlar & tillbehör
Axelreducering / bussning
Axlar
Distanser
Kedjesträckare
Kåpor
Muttrar/Låsning
Sleeves
Lampor & Tillbehör
Spotlight
Framlampor
Framlampor Universal
Framlampa 49-59
Framlampa 60-84
Lampinsats LED
Lampinsats Framlampa
Trim Ring
Framlampor Fästen
Baklampor & Tillbehör
Baklampor LED
Baklampor
Laydown Baklampa
Lampglas Baklampa
Baklampor fästen
Blinkers
Blinkers
Blinkers med Bakljus/Bromsljus
Blinkers Handkontroll
Blinkers styrände
Blinkers gaffelben
Blinkers med glödlampa
Blinkersglas
LED insats blinkers
Fästen för blinkers
Nummerskylt
Nummerskyltsbelysning
Skylthållare
Indikationslampor
El-delar belysning
Övrig belysning
Mätare
Övriga mätare
Hastighetsmätare (Vajerdrivning)
Hastighetsmätare Elektronisk
Drivning & givare
Givare elektronisk Hastighetsmätare
Vajerdrivning
Fästen & Montering
Mätarvajrar
Temperaturmätare
Voltmätare
Timräknare
Varvräknare
Motordelar
Motordelar M8
Bottendel M8
Överdel M8
Motordelar Twin Cam
Bottendel Twin Cam
Överdel Twin Cam
Motordelar Evo
Bottendel Evo
Överdel Evo
Motordelar Shovelhead
Bottendel Shovel
Överdel Shovelhead
Motordelar Panhead
Bottendel Panhead
Överdel Panhead
Motordelar Knucklehead/Sidventil
Bottendel Knucklehead/Sidventil
Överdel Knucklehead/Sidventil
Motordelar Sportster
Bottendel Sportster
Överdel Sportster
Kromdelar
Avtappningspluggar
Motorkåpor
Brytarlock
Kamkåpor
Ventilkåpor
Kompletta Motorer
Motorblock
Motorkit
Packningar
Knucklehead & Sidventil
Knucklehead & SV - Lösa packningar
Knucklehead & SV - Packningssatser
Panhead
Panhead Lösa packningar
Panhead Packningssatser
Shovelhead
Shovelhead Lösa packningar
Shovelhead Packningssatser
Evo
EVO - Lösa packningar
Evo Packningssatser
Twin cam
Lösa packningar TC
Packningssatser TC
Sportster Ironhead
Ironhead Lösa packningar
Ironhead Packningssatser
Sportster Evo & Buell
Sportster Lösa packningar
Sportster Packningssatser
V-Rod Packningar
V-rod Packningssatser
M8
M8 lösa packningar
M8 packningssatser
James Gaskets
Oringar
S&S packningar
Ram och chassidelar
Skärmar
Bakskärm
Framskärm
Skärmtillbehör
Sadlar
FXR
Saddlemen
Sadlar
Sadlar Dyna (FXD)
Sadlar Softail
Sadlar Sportster
Sadlar Touring
Sadlar Övrigt
Solo-Sadel
Sadelbotten
Fotreglage
Bromsreglage
Fotkoppling
Fotpinnar
Fotplattor
Framflytt & fotreglage
Fästen Fotpinnar/Fotplattor
Mid-Control Sportster
Växelreglage
Ramar och Tillbehör
Ramar
Tillbehör ramar
Sissybars
Fästen sissy
Löstagbar sissy
Sissy fast monterad
Tillbehör sissy
Batterilåda & Tillbehör
Highway Bar - Störtbåge
Rörklammer - Klammer
Svetsbara Delar
Vindrutor
Toppkåpa
Fästen Kåpor/Rutor
Chassi
Chassi Övrigt
Dragkrok
Hasplåt
Kedje & beltskyd
Kylare och tillbehör
Motorfästen och tillbehör
Ramar & sving
Stöd
Skruv- / monteringskit
Skruvkit Övrigt
Skruvkit Motor
Skruvkit Botten
Skruvkit Topp
Skruvkit Styre
Skruvkit Tank
Skruvkit Trans
Skruvkit Växellåda
Skruvkit XL
Styren & Tillbehör
Tillbehör Styren
Handskydd Styre
Backspeglar & Tillbehör
Backspeglar
Bar End Backspeglar
EMGO Backspeglar
Fästen Backspeglar
Styren
Aphäng - Ape Hanger
Clubman
Låga custom styren
Riserless Styren
T-Bar Styren
Tracker Styren
Dragbar
Clip-on styre
1" Styren Utan Inpressning
1" Styren Med Inpressning
1 1/4' Chubby
1 1/2' Fatbar
22mm Styren 7/8"
Risers & Tillbehör
Adapter till Japanska
Bussning Risers
Risers
Skruvsatser - Risers
Handtag, Reglage & Tillbehör
Gashandtag
Handbroms
Handtags-kit
Kopplingshandtag
Handtag
Styrvikter
Övrigt Handtag
Vajrar
Bromsvajer
Kopplingsledning
Gasvajer Svart
Gasvajer Stålomspunnen
Kopplingsvajer svart
Kopplingsvajer Stålomspunnen
Övrigt Vajrar
Vajersatser
Förlängningssatser
Vajersats Dyna
Vajersats Softail
Vajersats Sportster
Vajersats Touring
Tankar
Anslutningar & slang
Oljetrycksmätare
Tankpanel
Bensintank & Tillbehör
Bensintankar
Bensinkranar & filter
Tanklock
Montering Bensintank
Oljetankar & Tillbehör
Avtappningspluggar
Oljekylare
Oljetankar
Påfyllningslock Oljetank
Ventilation och filter
Dekaler & emblem
Dekaler
Emblem
Väskor & Tillbehör
Fäste för väskor
Bagageräcke
Postväskor
Väskor till Sissybar
Övriga väskor
Sadelväskor
Tankväskor
Liggande Sadelväskor
Hårda Sidoväskor
Växellåda & transmission
Packningar vxl/trans
Packningar 4-vxl B/T
Packningar 5-vxl B/T
Packningar 6-vxl B/T
Packningar Sportster
Packningssatser
Transkåpa
Växellåda
Växellådor
Delar 4-vxl låda
Delar 5-vxl låda
Delar 6-vxl låda
Delar Sportster vxl låda
Kick
Koppling
Koppling
Koppling Sportster
Lameller & drivplattor
Tryckstänger m.m.
Drivlina
Kedjekonvertering HD
Offset delar
Primärdrivning belt
Primärdrivning kedja
Sekundärdrivning belt
Sekundärdrivning kedja
Transkåpa
Bult & monteringssatser
Derby-lock
Inspektionslock
Transkåpor
Övrigt Transkåpa
Japanska märken
Sissybar/JAP
XS650
Honda CB
Yamaha XVS Drag Star
Kawasaki VN Vulcan
Indian
Indian avgassystem
Indian belysning
Indian bromsar
Indian drivlina
Indian el
Indian fotpinnar/fotplattor/fotreglage
Indian Hjul
Indian luft/bränsle
Indian motor
Indian mätare
Indian ram/fjädring
Indian sadlar/sissy
Indian skärmar
Indian styre/reglage/speglar
Indian tank/oljefilter
Indian vajer/ledning
Indian vindrutor/kåpor
Indian väskor/packning
Victory
Flat Track
Servicedelar & Olja
Servicekit
Servicekit Evo
Servicekit M8
Servicekit Shovel
Servicekit Sportster XL
Servicekit Twin-Cam
Motorolja
Slitdelar & underhåll
Harley Davidson
Oljefilter
Glödlampor
Framgafffel tätningar
Tändstift
Verktyg H-D
Batteri
Filter
Bromsklossar
Slitdelar övriga märken
Bromsar
Drivpaket & kedjor
Framgaffel
Koppling
Glödlampor
Luftfilter
Oljefilter
Tändstift
Batteri
Olja & rengöring
Olja, vätskor och fett
Tillsatser
Trans-, växellådsolja
Bromsvätska
Kylvätska
Gaffelolja
Kedjespray
Smörjmedel & kem
Fett
Rengöring
Färg & övrigt
Läder & textil
Däck & Slang
Däck
Däck 10"
Däck 11"
Däck 12"
Däck 13"
Däck 14"
Däck 15"
Däck 16"
Däck 17"
Däck 18"
Däck 19"
Däck 21"
Däck 23"
Ventilhattar
Slang & fälgband
Fälgband/Tillbehör
Slang 16"
Slang 17"
Slang 18"
Slang 19"
Slang 21"
Slang övriga storlekar
Batterier
AGM / Gel
Litium-Batterier
Standard
Övrigt Batteri
Lager
M8
Bromsklossar M8
Drivlina M8
Koppling M8
Luftfilter M8
Oljefilter M8
Renoveringssatser M8
Tändstift M8
Twin Cam
Tändstift Twin Cam
Oljefilter Twin Cam
Bromsklossar Twin Cam
Renoveringssatser Twin Cam
Koppling Twin Cam
Drivlina Twin Cam
Luftfilter Twin Cam
Evo
Tändstift Evo
Oljefilter Evo
Bromsklossar Evo
Renoveringssatser Evo
Koppling Evo
Drivlina Evo
Luftfilter Evo
Shovelhead
Sportster
Tändstift Sportster
Oljefilter Sportster
Bromsklossar Sportster
Renoveringssatser Sportster
Koppling Sportster
Drivlina Sportster
Luftfilter Sportster
Panhead
Knucklehead
Flathead
Indian / Victory
Verktyg & Skruv
Bensindunkar / Trattar Etc.
Fuel Friend
Lyftar & depåstöd
Motorstativ
Multiverktyg
Spännband
Verktyg
Handverktyg
Däcks/Kedjeverktyg
Gängning
Hammare/Slagverktyg
Insex/Torx/Bits
Mätning
Nycklar/Hylsor
Rengöringsverktyg
Skruvmejslar
Tänger
Verktygssatser
Vertyg för el
Oljefilterverktyg
Specialverktyg
Diagnostik
Verktyg Broms
Verktyg chassie
Verktyg Fjädring
Verktyg hjul
Verktyg koppling
Verktyg motor
Verktyg trans
Verktyg växellåda
Böcker, manualer
Clymer
Original
Dyna
FXR/FLT
Modeller 40-69
Shovelhead 70-84
Softail
Sportster
V-Rod
Övriga
Lås & Säkerhet
Skruv, muttrar & brickor
Rostfritt
Rostfritt Brickor
Rostfritt Försänkt insex
Rostfritt Kullrig insex
Rostfritt Mutter
Rostfritt Sexkant
Rostfritt Standard insex
Kromat
Kromad brickor
Kromad Försänkt insex
Kromad Kullrig Insex
Kromad Standard insex
Kromad torx
Kromad övrigt
Mutter
Sexkant
Förzinkat
Brickor
Insex förzinkat
Mutter
Sexkant
Spårskruv
Torx förzinkat
Distanser
Övrigt Skruv
Skruv-, bult- & kupolsats
Batteriladdare & Tillbehör
Kläder & Utrustning
Kepsar & Mössor
Carhartt Mössa
Kepsar
Mössor
Kläder
Byxor
Tunnel & Bandana
T-shirts
Sweatshirts och Hoodies
Bälten
Skjortor
Västar
Jackor
Strumpor och Underkläder
Barnkläder
REA Kläder
Skyddsutrustning
Väskor & Ryggsäckar
Hjälmar
ROEG Jettson 2.0
Simpson Darksome
Simpson Speed
Simpson Venom
Biltwell Gringo SV
Biltwell Gringo S
Biltwell Gringo
Biltwell Lane Splitter
ROEG Peruna 2.0
ROEG Jett
ROEG Chase
Övriga Hjälmar
Bandit Jet Hjälm
Tillbehör till hjälmar
Bubbelvisir
Förvaring
Inredning
Visir
Glasögon & Goggles
Plånböcker
Tidningar
Handskar
Montering styret
Montering Bagage
Headset & Intercom
Övrigt
Mexikansk Filt
Modeller (Leksaker)
Multiverktyg
Nyckelringar & Gremlin Bells
Presentkort
Böcker
Campingutrustning
Tygmärken Pins & Stickers
Varumärken
Inspiration
Nya Artiklar
Pinterest
Blogg
Youtube
Logga in / Skapa konto
Logga in
Glömt lösenordet?
Logga in
Skapa konto
Hem
/
Reservdelar & Tillbehör
/
Motordelar
/
Motordelar Sportster
/
Bottendel Sportster
/
Vevparti Sportser
/
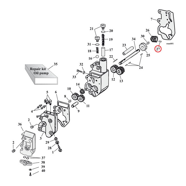
Kil "T"-typ pinionaxel FL/FX 90-upp/XL 86-99
Kil "T"-typ pinionaxel FL/FX 90-upp/XL 86-99
15
kr
Antal:
Lägg i varukorgen
Spara som favorit
Översikt
Passar till
Ge ditt omdöme
Artikelnummer:
42-0036
Leveranstid:
2-5 arbetsdagar
Frakt:
7. Brev 50G
Enhet:
Styck
OEM-nr:
11219
Kundomdömen